学术聚焦
当前位置: 首页 > 学术聚焦 > 正文

化工学院毕荣山副教授团队在TDI热光气化反应方面取得新进展

作者:齐建光、毕荣山 来源:化工学院 责任编辑:秦洪庆终审: 点击: 日期:2022-08-26

甲苯二异氰酸酯(TDI)是生产聚氨酯的重要材料之一,在泡沫塑料、弹性体、涂料和粘合剂等领域具有广泛应用,国内外TDI工业化大都通过冷光气化和热光气化两步反应合成。目前绝大部分研究集中在冷光气化步骤,而对热光气化反应研究较少。热光气化反应过程速率较慢且伴随复杂副反应的发生,是一个能源密集型复杂的反应精馏过程,其性能的好坏对整个反应系统的选择性和收率具有重要影响,因此对该步骤进行优化具有重要意义。

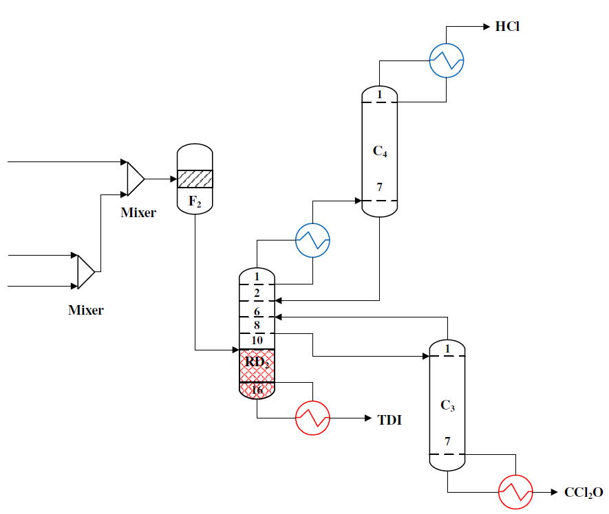
图1甲苯二异氰酸酯反应精馏塔与侧线汽提塔耦合工艺

图2热光气化工艺流程灵敏度分析和参数优化

在传统工业工艺中,“高能耗、高投资”的问题还没有从根本上解决,迫切需要通过工艺强化技术找到解决这一问题的有效途径。在此基础上,毕荣山副教授团队开发了反应精馏塔与侧线汽提塔耦合技术路线,通过对比两种工艺的能耗和经济性,验证了热耦合工艺的优越性,新技术路线冷热能耗分别节约32.78%和7.29%,年总生产成本降低约17.11%。

该工作以“Simulation and optimization of the thermally coupled reactive distillation column for producing toluene diisocynate”为题发表于化工领域TOP期刊AIChE Journal上,论文链接为https://aiche.onlinelibrary.wiley.com/doi/epdf/10.1002/aic.17648。AIChE Journal为化工传统三大期刊之首,该论文为近5年KY开元集团官网化工学院为唯一通讯单位在该期刊上发表的唯一一篇文章,化工学院毕荣山副教授为论文的第一作者和通讯作者,该研究得到了国家重点研发计划和山东省自然科学基金的资助。

  • 崂山校区:

    山东省青岛市松岭路99号

  • 四方校区:

    山东省青岛市郑州路53号

  • 高密校区:

    山东省高密市杏坛西街1号

  • 山东化工研究院:

    山东省济南市文化东路80号

  • 中德工程学院:

    山东省青岛市西海岸新区小清河路6号

  • 教科产融合学院:

    山东省淄博市周村区联通路(西段)5188号

   鲁ICP备05001948号-1   鲁公网安备 37021202000007号   
版權所有©KY开元·(中国)集团-Weixin百科